Opis produktu
Cechy

-
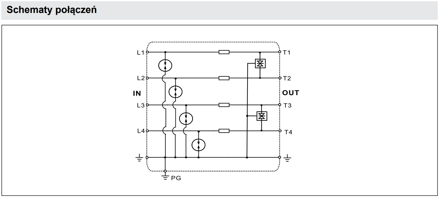
Ograniczniki przepięć - 24V DC RSP-4L-24

● Kategoria ANSI/IEEE C62.41: B, C
● Miejsce zastosowania: ochrona 4 linii sygnałowych lub 2 par
linii wysokiej częstotliwości szyny
komunikacyjnej lub transmisji wideo
● Elementy przeciwprzepięciowe: 2-stopniowy obwód zabezpieczający,
ograniczniki iskiernikowe + diody TVS
● Liczba chronionych linii: 4 (2 pary)
● Obudowa: modułowa
● Obudowa: modułowa (wymienny moduł)
● Mechaniczny wskaźnik stanu: flaga zielona/czerwona
● Zgodne z normami: PN-EN 61643-11:2013,
PN-EN 61643-21:2004+A1:2009+A2:2013,
PN-EN 61643-31:2019
-
Poznaj zalety naszych ograniczników
Ograniczniki przepięć zgodne z normą IEC 61643-11:2011 zapewniają niezawodną ochronę instalacji niskiego napięcia przed przepięciami, spełniając standardy wydajności, bezpieczeństwa i trwałości. Dzięki temu gwarantują skuteczne działanie w różnych warunkach eksploatacyjnych.
Ograniczniki przepięć przeznaczone do ochrony pętli prądowych i napięciowych zapewniają skuteczną ochronę wrażliwych obwodów pomiarowych i sterujących przed przepięciami. Chronią zarówno linie sygnałowe, jak i zasilające, zapobiegając zakłóceniom i uszkodzeniom urządzeń. Dzięki temu możliwe jest zachowanie dokładności pomiarów, niezawodności transmisji danych oraz ciągłości działania systemów, nawet w trudnych warunkach eksploatacyjnych.
Ograniczniki przepięć do zabezpieczania aparatury chronią wrażliwe urządzenia przed uszkodzeniami spowodowanymi przepięciami, zapewniając ich niezawodne działanie. Oferują ochronę zarówno dla linii sygnałowych, zasilających, jak i komunikacyjnych, minimalizując ryzyko awarii oraz kosztów związanych z serwisem i wymianą sprzętu.
Ograniczniki przepięć z funkcjonalnością pomiaru temperatury linii sygnałowej dodatkowo monitorują warunki pracy chronionych obwodów, umożliwiając wczesne wykrycie przegrzewania. Dzięki temu zwiększają bezpieczeństwo instalacji, pozwalają na prewencyjną konserwację oraz minimalizują ryzyko uszkodzeń urządzeń i przestojów w pracy systemu.



Relpol Spółka Akcyjna jest największym polskim producentem przekaźników elektromagnetycznych.
To firma z bogatą tradycją i ogromnym doświadczeniem – z polskim kapitałem,
której akcje notowane są na Giełdzie Papierów Wartościowych w Warszawie.
Choć przedsiębiorstwo przez lata istnienia zmieniało swoją nazwę, to niezmiennie od 1958 roku specjalizujemy się w produkcji najwyższej jakości przekaźników.
Nieustannie rozwijamy się, aby spełniać wysokie wymagania naszych klientów. Przykładamy szczególną wagę do badań i rozwoju. Nasze projekty inwestycyjne nie tylko podnoszą jakość i zwiększają możliwości produkcyjne, ale też pozytywnie wpływają na środowisko naturalne.
Stale pracujemy nad unowocześnianiem procesu produkcji, dlatego też nasze produkty znajdują odbiorców na całym świecie.
Choć przedsiębiorstwo przez lata istnienia zmieniało swoją nazwę, to niezmiennie od 1958 roku specjalizujemy się w produkcji najwyższej jakości przekaźników.
Nieustannie rozwijamy się, aby spełniać wysokie wymagania naszych klientów. Przykładamy szczególną wagę do badań i rozwoju. Nasze projekty inwestycyjne nie tylko podnoszą jakość i zwiększają możliwości produkcyjne, ale też pozytywnie wpływają na środowisko naturalne.
Stale pracujemy nad unowocześnianiem procesu produkcji, dlatego też nasze produkty znajdują odbiorców na całym świecie.