Opis produktu

Niezawodne i sprawdzone rozłączniki bezpiecznikowe skrzynkowe KVL
Rozłączniki bezpiecznikowe KVL występują w czterech rozmiarach, ale mogą być łączone ze sobą i stosowane w różnych kombinacjach. Nowy asortyment zawiera także możliwość montażu maskownicy na czterech poziomach - 32, 60, 70 i 90 mm. Wersje do montażu na płycie montażowej, do montażu na szynach prądowych oraz na szynę DIN ofe rują idealne rozwiązanie dla wielu obszarów zastosowań.
Parametry techniczne
Indywidualny numer indentyfikacyjny nadany przez producenta.
001690873
Typ produktu określony przez producenta.
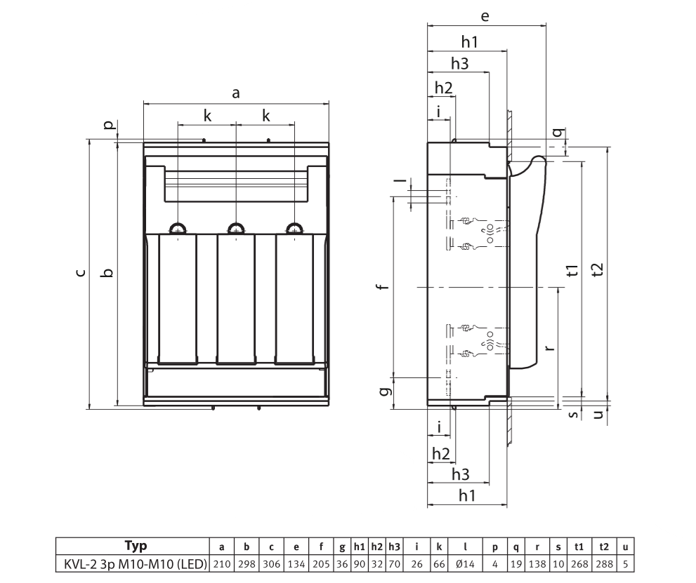
KVL-2 3p M10-M10
Szybki montaż rozłącznika KVL-00... i KVL-1... na dwóch szynach DIN dzięki dodatkowemu zestawowi DIN KVL-... 100-150.
płyta montażowa
3
Rozłączniki bezpiecznikowe KVL przeznaczone są dla wkładek bezpiecznikowych NH:
KVL-00… - NH00, NH000, NH00C
KVL-1… - NH1, NH1C
KVL-2… - NH2, NH2C
KVL-3… - NH3, NH3C
LTL4A... - NH4A
KVL-00… - NH00, NH000, NH00C
KVL-1… - NH1, NH1C
KVL-2… - NH2, NH2C
KVL-3… - NH3, NH3C
LTL4A... - NH4A
NH2, NH2C
Rozłączniki bezpiecznikowe KVL przeznaczone są dla zwieraczy instalacyjnych nożowych:
- KVL-00… - ZI 00 160A (004941211), NVLI 00 (004941220)
- KVL-1… - ZI 1 250A (004941213), NVLI 1 (004941222)
- KVL-2… - ZI 2 400A (004941214), NVLI 2 (004941223)
- KVL-3… - ZI 3 630A (004941240), NVLI 3 (004941224)
- KVL-00… - ZI 00 160A (004941211), NVLI 00 (004941220)
- KVL-1… - ZI 1 250A (004941213), NVLI 1 (004941222)
- KVL-2… - ZI 2 400A (004941214), NVLI 2 (004941223)
- KVL-3… - ZI 3 630A (004941240), NVLI 3 (004941224)
ZI 2 400A,
NVLI 2
NVLI 2
Ustalona przez producenta wartość prądu, który aparat może przewodzić podczas pracy ciągłej, przy określonej temperaturze odniesienia otaczającego powietrza.
400
Napięcie znamionowe prądu przemiennego AC to wartość napięcia elektrycznego określona dla danego urządzenia, która jest zalecana lub maksymalnie dopuszczalna do prawidłowego i bezpiecznego działania. Jest to wartość, która jest podawana przez producenta urządzenia i jest uwzględniana w procesie jego projektowania i użytkowania.
690
Napięcie znamionowe prądu stałego DC to wartość napięcia elektrycznego określona dla danego urządzenia, która jest zalecana lub maksymalnie dopuszczalna do prawidłowego i bezpiecznego działania. Jest to wartość, która jest podawana przez producenta urządzenia i jest uwzględniana w procesie jego projektowania i użytkowania.
440
Wartość szczytowa udaru napięciowego o określonym kształcie i biegunowości, który aparat elektryczny jest w stanie wytrzymać bez uszkodzenia w określonych warunkach probierczych, do której się odnoszą wartości odstępów izolacyjnych.
8
Maksymalne dopuszczalne straty mocy na wkładkę topikową. Moc wydzielona we wkładce topikowej obciążonej prądem znamionowym In po osiągnięciu przez wkładkę temperatury ustalonej.
34
Całkowita strata mocy przy Ith (bez wkładki topikowej).
28
Określona w danych warunkach temperatura powietrza otaczającego kompletny łącznik. W przypadku łączników zainstalowanych wewnątrz obudowy jest to temperatura powietrza na zewnątrz obudowy.
-25 do +55
Stopień ochrony przed dostępem do części niebezpiecznych i przed wnikaniem obcych ciał stałych i/lub przed wnikaniem wody określony zgodnie z normą EN 60529.
IP20 - w stanie pracy.
IP10 - z otwartą pokrywą.
IP20 - w stanie pracy.
IP10 - z otwartą pokrywą.
IP20/IP10
płaskie, M10
praca ciągła
Dozwolona pozycja pracy apratu.
poziomy, pionowy

Zdjęcie produktu


Zalety produktu











- Łatwy pomiar napięcia. Przesuwane okienka w mechanizmie wychylnym ułatwiają pomiar napięcia. Stopień ochrony IP20 nie ulega zmniejszeniu.
- Ochrona przed nie autoryzowaną obsługą. Możliwość montażu kłódki uniemożliwiającej niepożądane uruchomienie.
- Bezpieczna pozycja „parking“ mechanizmu wychylnego.
- Szybki montaż rozłącznika KVL-00... i KVL-1... na dwóch szynach DIN dzięki dodatkowemu zestawowi DIN KVL-... 100-150.
- Jednakowe wymiary okna w maskownicy dla wszystkich wielkości rozłączników. Różne głębokości zabudowy (32mm, 60mm, 70mm, 90mm) i montażu maskownic.
- Specjalne wykonanie rozłącznika (KVL-B/FT…) z przyłączem zasilającym przelotowo i na szyny prądowe. Nośniki szyn prądowych można całkowicie dopasować do konkretnych wymiarów szyn.
- Dopasowanie na szyny o grubości 5 lub 10 mm (KVL-B…). Łatwa zamiana odpływu górnego na dolny i odwrotnie.
- Możliwość montażu dwóch sygnalizatorów stanu załączenia aparatu. Szeroki obszar zastosowań dzięki dużej możliwości łączeniowej 10/3A (rezyst./ind.)
- Dostępne wykonania 1P, 2P, 3P, 4P w zależnośći od rozmiaru.
- Rozłączniki bezpiecznikowe KVL przeznaczone są dla wkładek bezpiecznikowych NH i zwieraczy instalacyjnych nożowych ZI:
- KVL-00… - ZI 00 160A (004941211), NVLI 00 (004941220)
- KVL-1… - ZI 1 250A (004941213), NVLI 1 (004941222)
- KVL-2… - ZI 2 400A (004941214), NVLI 2 (004941223)
- KVL-3… - ZI 3 630A (004941240), NVLI 3 (004941224)

Poznaj rozłączniki bezpiecznikowe skrzynkowe KVL
Jak montować rozłączniki? Jakie są dostępne akcesoria?
Zobacz możliwości montażu i poznaj dostępne akcesoria dla rozłaczników KVL!

Rysunek wymiarowy


Rozłączniki KVL montowane na szynach prądowych


Rozłączniki KVL montowane na płytę montażową


ETIsON Curves
Fukcjonalności programu:
- generowanie i wykreślanie charakterystyk t/I urządzeń zabezpieczających
- regulowanie i testowanie nastaw zabezpieczeń, badanie wpływu zmiany kształtu krzywej zabezpieczeń
- analizowanie selektywności między urządzeniami zabezpieczającymi
- symulowanie reakcji obciążenia lub zwarcia urządzeń zabezpieczających
- definiowanie punktów pracy i warunków granicznych z rzeczywistych aplikacji
- sporządzanie raportów do dokumentacji projektowej