Opis produktu
Cechy

Niezawodne i sprawdzone styczniki powietrzne CEM
Styczniki serii CEM służą do zdalnego załączania i wyłączania silników elektrycznych oraz innych odbiorników energii elektrycznej o mocy do 560 kW (dla U=400 V kat. AC3). Dzięki dostępnym akcesoriom w postaci m.in. blokad mechanicznych, styczniki CEM znajdują zastosowanie również w układach przełączania zasilania (SZR), układach gwiazda-trójkąt i nawrotnych. Występują w różnych wielkościach gabarytowych w zależności od prądu znamionowego.
Parametry techniczne
Indywidualny numer indentyfikacyjny nadany przez producenta.
004656143
Typ produktu określony przez producenta.
CEM250.22-230V-50/60Hz
Stycznik powietrzny
Prąd znamionowy dla obciążenia indukcyjnego typu silnik klatkowy; rozruch, załączanie i wyłączanie podczas biegu.
250
Prąd znamionowy dla obciążenia nieindukcyjnego lub o małej indykcyjności typu piec oporowy.
350
132
225
Napięcie podawane na cewkę stycznika.
230
2NO+2NC
Określona w danych warunkach temperatura powietrza otaczającego kompletny łącznik. W przypadku łączników zainstalowanych wewnątrz obudowy jest to temperatura powietrza na zewnątrz obudowy.
-25 do +55
Normy i standardy według których dany łącznik został zaprojektowany, przetestowany i certyfikowany.
PN-IEC/PN-EN 60 947,
DIN VDE 0660
DIN VDE 0660

Zdjęcie produktu


Zalety produktu










- W standardzie stycznik wyposażony jest w dwa bloki styków pomocniczych (1NO+1NC), po jednym z prawej i lewej strony.
- Możliwość zainstalowania dodatkowych bloków styków pomocniczych po jednym na lewą i prawą stronę (BCXMRLE)
- Zabezpieczenie przed przeciążeniem realizowane przez przekaźniki termiczne, połączone za pomocą przyłączy szynowych.
- Do styczników CEM450..CEM560 łatwy dostęp do sprawdzania i wymiany styków głównych, cewki, warystora ochronnego i elektronicznej cewki sterującej.
- Styczniki CEM450 i CEM560 mają wbudowany warystor zabezpieczający przed wzrostem napięcia w obwodzie cewki.
- Zaciski klatkowe TBE dla styczników CEM112 - CEM300 pozwalają wykonać jednoczesne połączenie nie tylko pojedynczego lub skręconych przewodów ale także przewodów o różnych średnicach.
- Przyłącza szynowe GAE ułatwiają podłączenie przekaźnika termicznego.
- Osłony zacisków CCEM zabezpieczają przed przypadkowym dostknięciem zacisków przyłączeniowych.
- Dostępna blokada mechaniczna BLIME 112-300E do zastosowania w układach SZR, nawrotnych i gwiazda-trójkąt. Umożliwia blokowanie styczników o różnych gabarytach od CEM112 do CEM560.

Rysunek wymiarowy


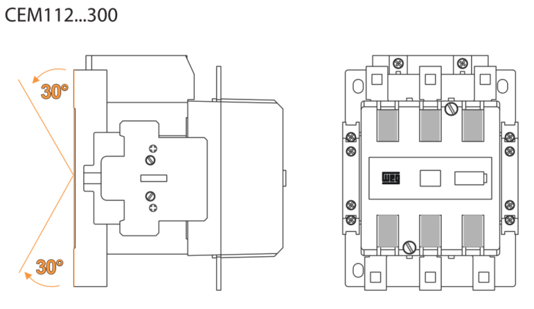
Dozwolone pozycje montażu


ETIsON Curves
Fukcjonalności programu:
- generowanie i wykreślanie charakterystyk t/I urządzeń zabezpieczających
- regulowanie i testowanie nastaw zabezpieczeń, badanie wpływu zmiany kształtu krzywej zabezpieczeń
- analizowanie selektywności między urządzeniami zabezpieczającymi
- symulowanie reakcji obciążenia lub zwarcia urządzeń zabezpieczających
- definiowanie punktów pracy i warunków granicznych z rzeczywistych aplikacji
- sporządzanie raportów do dokumentacji projektowej