Opis produktu
Ochronnik przeciwprzepięciowy 4-polowy, 3-fazowy, klasa B+C, 30-60 kA, do montażu na szynę TH35, z pilotem do zdalnej sygnalizacji.
Nr katalogowy: OPX-4P-B+C-PILOT
Ogranicznik przepięć, odgromnik a także ochronnik przepięciowy to urządzenie zaprojektowane do ochrony aparatury elektrycznej przed przejściowymi przepięciami, ograniczające czas trwania i częstotliwość prądu następczego.
Przepięcia mogą powstać podczas np. załączania lub wyłączania nieobciążonej linii napowietrznej lub przy uderzeniu pioruna w linię napowietrzną, mogą one spowodować zniszczenie izolacji i innych elementów sieci.
Ograniczniki typu „1+2” (dawnej klasy B+C) zapewniają ochronę przed przepięciami atmosferycznymi, spowodowanymi uderzeniem pioruna w obiekty znajdujące się w sąsiedztwie linii napowietrznych lub bezpośrednio w linię nn, w dużej odległości od miejsca zainstalowania ograniczników. Ponadto tego typu ograniczniki stanowią zabezpieczanie przed przepięciami łączeniowymi. Ograniczniki przepięć typu „1+2” instaluje się przed licznikiem, chroniąc tym samym układ pomiarowy.
Dane techniczne:
- Klasa ochrony: B+C (I+II),
- Ilość pól: 4,
- Prąd próbny In: 30kA,
- Prąd MAX Imax: 60kA,
- Iimp: 6kA,
- Uc: 385V,
- Up: <1,5kV,
- Temperatura pracy: -40°C - +80°C,
- Czas reakcji: <25 ns,
- Wilgotność pracy: 30% - 90%,
- Dobezpieczenie: 125A,
- Obciążalność styków sygnałowych: 36V AC , 1A.
- Certyfikat CE, EN-61643-11
Warunki montażu i pracy:
- Wilgotność względna powietrza nie przekracza 95%,
- Nachylenie płaszczyzny pionowej ogranicznika nie powinna być większa niż 5°.
- Nie należy montować urządzenia w miejscu podatnym na wstrząsy i wibracje.
- Radzimy poddawać ograniczniki okresowej kontroli – co dwa lata ich użytkowania lub po każdym bezpośrednim wyładowaniu atmosferycznym.
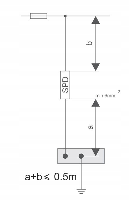
- Ograniczniki przepięć wykorzystują połączenie przewodów miedzianych 6,0 ~ 25 mm 2;
- Instalacja na szynę TH35.
Podłączenie oraz montaż ochronnika przepięć OPX-4P-B+C-PILOT:
Zdalna sygnalizacja
- Ograniczniki OPX można stosować wraz ze zdalnymi stykami sygnalizacyjnymi.
- Styk sygnalizacyjny jest stykiem normalnie otwartym. Jeśli jeden lub więcej modułów OPX zawiedzie, styk zamknie się i wyśle komunikat o błędzie. Obciążalność styków sygnałowych: 36V AC , 1A.
- Ochronniki mogą działać z lub bez dopiętych styków.
Ochronniki przepięć wyposażone są w wizualny wskaźnik działania:
- zielony – ochrona,
- czerwony – brak ochrony.
