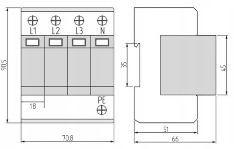
Ochronnik przeciwprzepięciowy 4-polowy, 3-fazowy klasa B+C, do montażu na szynę TH35
Nr katalogowy: OPE-4P-B+C
Ograniczniki typu „1+2” (dawnej klasy B+C) zapewniają ochronę przed przepięciami atmosferycznymi, spowodowanymi uderzeniem pioruna w obiekty znajdujące się w sąsiedztwie linii napowietrznych lub bezpośrednio w linię nn, w dużej odległości od miejsca zainstalowania ograniczników. Ponadto tego typu ograniczniki stanowią zabezpieczanie przed przepięciami łączeniowymi. Ograniczniki przepięć typu „1+2” instaluje się przed licznikiem, chroniąc tym samym układ pomiarowy.
Ogranicznik przepięć, odgromnik a także ochronnik przepięciowy to urządzenie zaprojektowane do ochrony aparatury elektrycznej przed przejściowymi przepięciami, ograniczające czas trwania i częstotliwość prądu nastęczego.
Przepięcia mogą powstać podczas np. załączania lub wyłączania nieobciążonej linii napowietrznej lub przy uderzeniu pioruna w linię napowietrzną, mogą one spowodować zniszczenie izolacji i innych elementów sieci.
Dane techniczne:
- Klasa ochrony: B+C (I+II)
- Ilość pól: 4
- Prąd próbny In: 30kA
- Prąd MAX Imax: 60kA
- Uc: 385V 50/60Hz
- Up: <1,5kV
- Un: 230V/ 400V ~ 50/60Hz
- Imp: 7kA/moduł
- IP20
- Certyfikat CE
- Zgodne z normą: EN-61643-11
Warunki montażu i pracy:
- Wilgotność względna powietrza nie przekracza 95%,
- Nachylenie płaszczyzny pionowej ogranicznika nie powinna być większa niż 5°.
- Nie należy montować urządzenia w miejscu podatnym na wstrząsy i wibracje.
- Radzimy poddawać ograniczniki okresowej kontroli – co dwa lata ich użytkowania lub po każdym bezpośrednim wyładowaniu atmosferycznym.
- Ograniczniki przepięć wykorzystują połączenie przewodów miedzianych 6,0 ~ 25 mm 2;
- Instalacja na szynę TH35.
Podłączenie oraz montaż ochronnika przepięć OPE-4P-B+C
Ochronniki przepięć wyposażone są w wizualny wskaźnik działania:
- zielony – ochrona,
- czerwony – brak ochrony.
