Konfekcja = czujnik z opakowania zbiorczego, w woreczku papierowym (EKOLOGIA) zamiast pudełka.
Produkt dedykowany na inwestycje.
IS D 360 ECO pasuje do każdego sufitu oraz do wszystkich punktowych opraw oświetleniowych tzw. „oczek”, jak również do każdej standardowo
dostępnej ramy reflektora punktowego. Dlatego na pierwszy rzut oka wygląda jak normalne źródło światła (np. GU10). Dopiero po dokładniejszej obserwacji widoczna jest multisoczewka. Sprytnie zintegrowana technologia sensorowa STEINEL.
Zasięg tego czujnika ruchu wynosi aż 24 metry stycznie, co sprawia, że doskonale nadaje się do przestrzeni przy windach oraz średniej wielkości pomieszczeń w biurowcach.
Możliwościami detekcji IS D 360 ECO jest dokładnie pomiędzy IS 360-1 DE (do małych pomieszczeń) a bezkonkurencyjnemu IS 3360 COM1 UP (do dużych powierzchni).
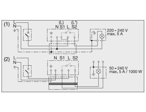
Uwaga: S1, S2 to zaciski podłączeniowe do pracy z urządzeniami zasilanymi napięciem 50 V - 250 V∼. Przy sposobie podłączania oznaczonym w instrukcji jako (1) należy przełożyć zworkę drucianą z L do S1. W ten sposób zlikwidowana jest separacja potencjału.
Bezpośrednio pod czujnik możemy podłączyć oprawy LED o mocy do max 64W (sprawdź kartę katalogową), do większych mocy sugerujemy zastosowanie dodatkowego stycznika.
Steinel to niemiecka marka z centrami produkcyjnymi zlokalizowanymi na terenie Europy. Przez lata doświadczeń zyskał miano lidera w produkcji techniki automatycznego oświetlenia. Jest też niezaprzeczalnym pionierem w dziedzinie opalarek i pistoletów do klejenia. Produkty Steinel trafiają do klientów w ponad 90 krajach świata.
