Opis produktu
Czujnik obecności Steinel IR Quattro HD DALI-2 APC Podtynkowy 360° 10 m IP20 2000 W Kod: 002756
Najwyższa precyzja wykrywania w dużych przestrzeniach – czujnik DALI-2 z zaawansowaną funkcjonalnością
Steinel IR Quattro HD DALI-2 APC to profesjonalny podtynkowy czujnik obecności na podczerwień, stworzony do wymagających zastosowań wewnętrznych. Dzięki interfejsowi DALI-2 Application Controller, zasięgowi do 24 m oraz aż 4800 strefom przełączania, czujnik ten gwarantuje maksymalną skuteczność wykrywania obecności w dużych pomieszczeniach – takich jak hale, magazyny, biura open space, szkoły czy sale konferencyjne.
Najważniejsze cechy czujnika IR Quattro HD DALI-2 APC
- Detekcja 360° do 8 × 8 m (64 m2) — kwadratowa, skalowalna strefa wykrywania obecności z możliwością rozbudowy.
- Doskonała jakość detekcji — aż 4800 stref przełączania dla niezwykle czułego rozpoznawania ruchu i obecności.
- Wysokość montażu do 10 m — idealny do wysokich sufitów w halach przemysłowych, salach gimnastycznych, magazynach.
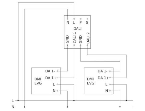
- Dwa niezależne kanały DALI-2 — możliwość sterowania dwoma grupami oświetlenia (broadcast), zgodnie z normą DALI-2.
- Funkcja podstawowego poziomu oświetlenia — regulacja w zakresie 50–100% oraz czas podtrzymania od 1 minuty do całej nocy.
- Ustawienie zmierzchu TEACH i tryb stałego światła — dynamiczne dostosowanie działania czujnika do warunków otoczenia.
- Zabezpieczenie przed podpełzaniem — pełna ochrona przed nieautoryzowanym podejściem od dołu.
- Montaż podtynkowy w suficie — elegancka i trwała instalacja w przestrzeniach użytkowych.
- Odporność temperaturowa — działanie w zakresie od -25°C do +55°C.
Zastosowanie czujnika IR Quattro HD DALI-2 APC
- Profesjonalne sterowanie oświetleniem w biurach typu open space, salach lekcyjnych, wykładowych i konferencyjnych
- Wysokie hale, magazyny, obiekty przemysłowe i sportowe
- Obiekty z instalacją DALI-2 i inteligentnymi systemami sterowania oświetleniem
- Miejsca wymagające precyzyjnego i energooszczędnego wykrywania obecności
Dane techniczne czujnika IR Quattro HD DALI-2 APC
| Typ urządzenia: | Czujnik obecności PIR (DALI-2 Application Controller) |
| Kąt detekcji: | 360° |
| Zasięg detekcji: | 8 × 8 m (64 m2) – obecność, do 20 × 20 m (400 m2) – ruch |
| Liczba stref przełączania: | 4800 |
| Wysokość montażu: | 2,5 – 10 m |
| Interfejs: | DALI-2, 2 kanały |
| Funkcja podstawowego światła: | Tak, 50–100%, 1–60 min lub cała noc |
| Zabezpieczenie przed podpełzaniem: | Tak |
| Ustawienie zmierzchu: | 10 – 1000 Lux, funkcja TEACH |
| Regulacja czasu działania: | 30 s – 30 min |
| Zasilanie: | 230 V / 50–60 Hz |
| Materiał: | Tworzywo sztuczne |
| Stopień ochrony: | IP20 |
| Temperatura pracy: | od -25°C do +55°C |
| Kolor: | Biały (RAL 9010) |
| Montaż: | Podtynkowy, sufitowy |
| Typ połączenia: | Master/Slave |
| Kod produktu: | 002756 |
| EAN: | 4007841002756 |
| Gwarancja: | 5 lat |
