Opis produktu
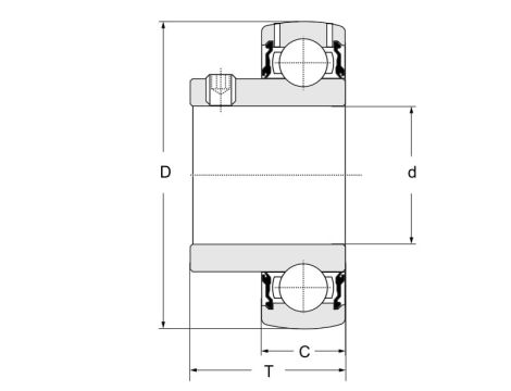
Łożysko samonastawne US.210.G2 SNR, 50 x 90 x 43.5
Prezentowane zdjęcia mają charakter poglądowy i nie są ofertą sprzedaży. Podejmując decyzję o zakupie należy bezwzględnie kierować się opisem technicznym na karcie towaru.
