Opis produktu
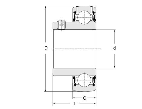
Łożysko samonastawne US208 24G2 SNR, 38.1 x 80 x 34
Prezentowane zdjęcia mają charakter poglądowy i nie są ofertą sprzedaży. Podejmując decyzję o zakupie należy bezwzględnie kierować się opisem technicznym na karcie towaru.
