Opis produktu
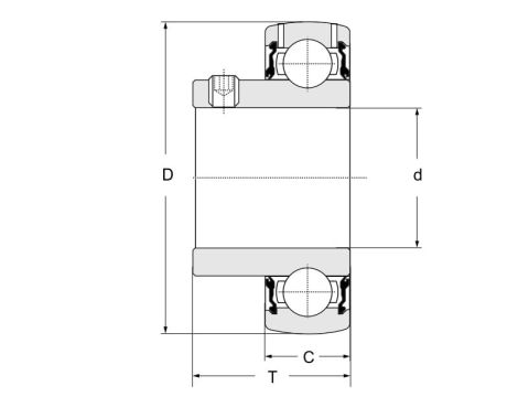
Łożysko samonastawne US205 16G2 SNR, 25.4 x 52 x 27
Prezentowane zdjęcia mają charakter poglądowy i nie są ofertą sprzedaży. Podejmując decyzję o zakupie należy bezwzględnie kierować się opisem technicznym na karcie towaru.
