Opis produktu
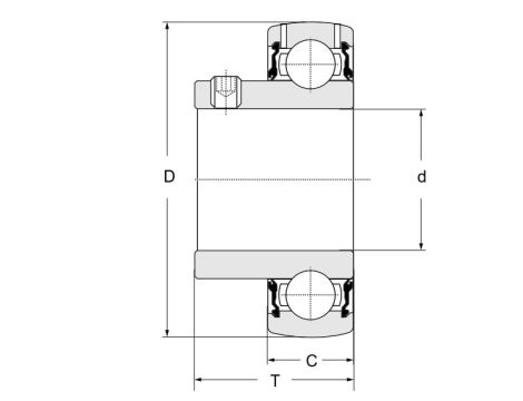
Łożysko samonastawne, nierdz. SUC.212 SNR, 60 x 110 x 65.1
Prezentowane zdjęcia mają charakter poglądowy i nie są ofertą sprzedaży. Podejmując decyzję o zakupie należy bezwzględnie kierować się opisem technicznym na karcie towaru.
