Opis produktu
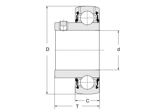
Łożysko samonastawne, nierdz. SUC.205 16 SNR, 25.4 x 52 x 34
Prezentowane zdjęcia mają charakter poglądowy i nie są ofertą sprzedaży. Podejmując decyzję o zakupie należy bezwzględnie kierować się opisem technicznym na karcie towaru.
