Opis produktu
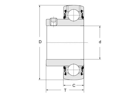
Łożysko samonastawne, nierdz. SUC.204 12 SNR, 195 x 47 x 31
Prezentowane zdjęcia mają charakter poglądowy i nie są ofertą sprzedaży. Podejmując decyzję o zakupie należy bezwzględnie kierować się opisem technicznym na karcie towaru.
