Opis produktu
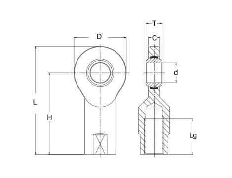
Główka cięgła z nierdzewną oprawą i pierścieniem wewnętrznym GIKPR 16 PW INA
Prezentowane zdjęcia mają charakter poglądowy i nie są ofertą sprzedaży. Podejmując decyzję o zakupie należy bezwzględnie kierować się opisem technicznym na karcie tow
